◆ 产品特点: 针对沿直流电源线传播的电磁干扰设计,优异的共模、差模干扰抑制特性。
◆ 使用场合:可为12V,24V,36V,48V,72V,100V直流电源供电的设备配套,广泛应用于AC/DC,DC/AC,DC/DC开关变换装置及使用直流电源的各类电子设备。
◆ 技术参数
|
额定电压 Rated Voltage |
100VDC |
||
|
额定电流 Rated Current |
20A |
||
|
工作频率 Operating Frequency |
DC |
||
|
耐压试验 Test Voltage |
线—线 Line to line |
200VDC |
1min |
|
线—地 Line to ground |
500VDC |
1min |
|
|
温度范围 Temperature Range |
-25--+85℃ |
||
|
端接方式 Termination Methods |
输入端 Input |
输出端 Output |
|
|
M4铜螺栓 |
M4铜螺栓 |
||
◆ 插入损耗 Insertion Loss in dB
— 共模(CM),--- 差模(DM) CM/DM
50Ω测量系统,GB7343/CISPR NO.17出版物 Measured in 50 ohm system ,as GB7343 or CISPR NO.17
|
插入损耗 (dB) |
||||||||||
|
频率(MHz) |
0.01 |
0.05 |
0.10 |
0.15 |
0.5 |
1.0 |
5.0 |
10 |
20 |
30 |
|
共 模 |
6 |
18 |
30 |
36 |
72 |
72 |
70 |
68 |
62 |
58 |
|
差 模 |
18 |
22 |
42 |
50 |
80 |
76 |
61 |
65 |
62 |
60 |
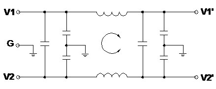
◆ 电路类型
◆ 外形尺寸(封装)
◆ 参考标准
[1] GB/T15287―94 抑制射频干扰整件滤波器 第一部分 总规范
[2] GB/T15288―94 抑制射频干扰整件滤波器 第二部分 分规范
[3] UL1283―1984 电磁干扰滤波器安全标准
北京天工通宇科技有限公司是国内优质的电源滤波器制造商,电源滤波器批发商,期待新老用户来电求购直流电源滤波器。


