◆ 产品特点: 电机驱动系统EMC滤波器,基于变频器工作时对输入侧电网及PLC、DCS等数字设备产生的电磁干扰特性而设计;优异的差模、共模干扰衰减特性,有效滤波频带宽,从10kHz到30MHz;有效抑制变频器对电网造成电磁干扰的同时,也能防止电网中的其他干扰源对变频器的电磁干扰;也用于其他存在强电磁干扰的工业场合;
◆ 使用场合:用于小功率0.8kW以下变频器输入端。
◆ 技术参数:
|
额定电压 Rated Voltage |
250/440VAC |
||
|
额定电流 Rated Current |
3A |
||
|
对应变频器功率 |
小于0.8kW |
||
|
工作频率 Operating Frequency |
50/60Hz |
||
|
耐压试验 Test Voltage |
线—线 Line to line |
2250VDC |
1min |
|
线—地 Line to ground |
2700VDC |
1min |
|
|
最大漏电流Leakage current |
3.5mA(250VAC@50Hz) |
||
|
温度范围 Temperature Range |
-25--+85℃ |
||
|
端接方式 Termination Methods |
输入端 Input |
输出端 Output |
|
|
焊片/插片 |
焊片/插片 |
||
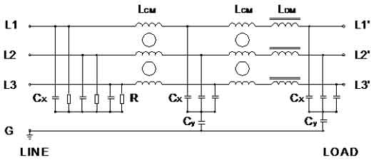
◆ 电路类型

◆ 外形尺寸(封装)
请baidu北京天工通宇科技有限公司,登录公司官网查询。
◆ 使用中的注意事项:
1滤波器与变频器要安装在同一块底板上,滤波器与变频器及安装板之间要有低阻抗的高频连接;
2滤波器必须尽可能的靠近变频器的输入端子,一般两者之间的距离不超过30cm;
3滤波器有接地端子,这个端子与滤波器的安装机架要有低阻抗的连接;
4注意,变频器专用电源滤波器一般都会有较高的泄露电流(这是为提高滤波器低频滤波效果而不可避免的),为安全起见,滤波器必须严格接地。
◆ 参考标准
[1] GB/T15287―94 抑制射频干扰整件滤波器 第一部分 总规范
[2] GB/T15288―94 抑制射频干扰整件滤波器 第二部分 分规范
[3] UL1283―1984 电磁干扰滤波器安全标准
国内专业的变频器EMI治理厂家,专业的变频器滤波器生产制造厂家,北京天工通宇科技有限公司。我公司生产的变频器EMC滤波器,采用两级共模加一级差模滤波电路,选用新型软磁材料,实现10kHz—30MHz高EMI滤波性能。用于变频器及逆变设备的输入端,抑制变频器开关动作时对电网产生的高频谐波干扰。


